
來源: 發布時間:2017-08-18 11:47:10 瀏覽次數:次
1、前言
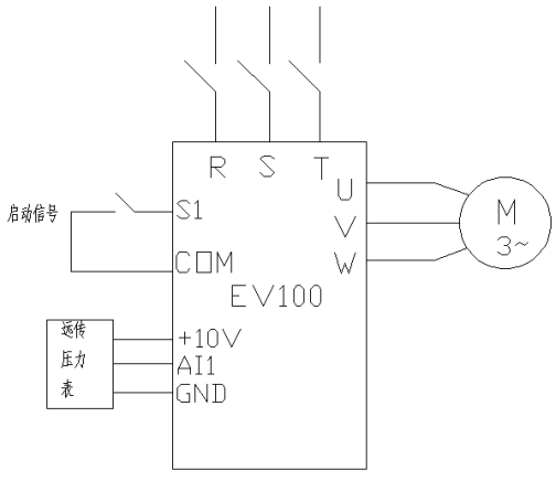
全自動變頻調速供水設備是應用先進的現代控制理論,結合可編程控制技術、變頻控制技術.電機泵組控制技術的新型機電一體化供水裝置。該設備通過安裝在水泵出水總管上的遠傳壓力表(內為一滑動電阻),將出口壓力轉換成0-10V電壓信號,經A/D轉換模塊將模擬電壓信號轉換成數字量并送入可編程序控制器,經可編程內部PID運算,得出一調節參量并將該參量送入D/A轉換模塊,經數摸轉換后將得出模擬量傳送變頻器,進而控制其輸出頻率的變化,使水量恒定在設定壓力值。

3、注意事項:
MZ510系列變頻在恒壓供水中應用比較廣泛,主要注意壓力表反饋線的接法,可以關閉出水的總閥門,看d0-16參數的反饋值是否和設定值差不多,當反饋和設定差不多的時候,變頻才會達到恒壓的效果。壓力值和蘇醒壓力的設定是根據壓力表的百分比計算
上一篇:中智變頻器在油泵試驗臺的應用
下一篇:中智變頻器在磚機上的應用
